发布日期:2020-06-12 06:00:09 浏览次数:171

|
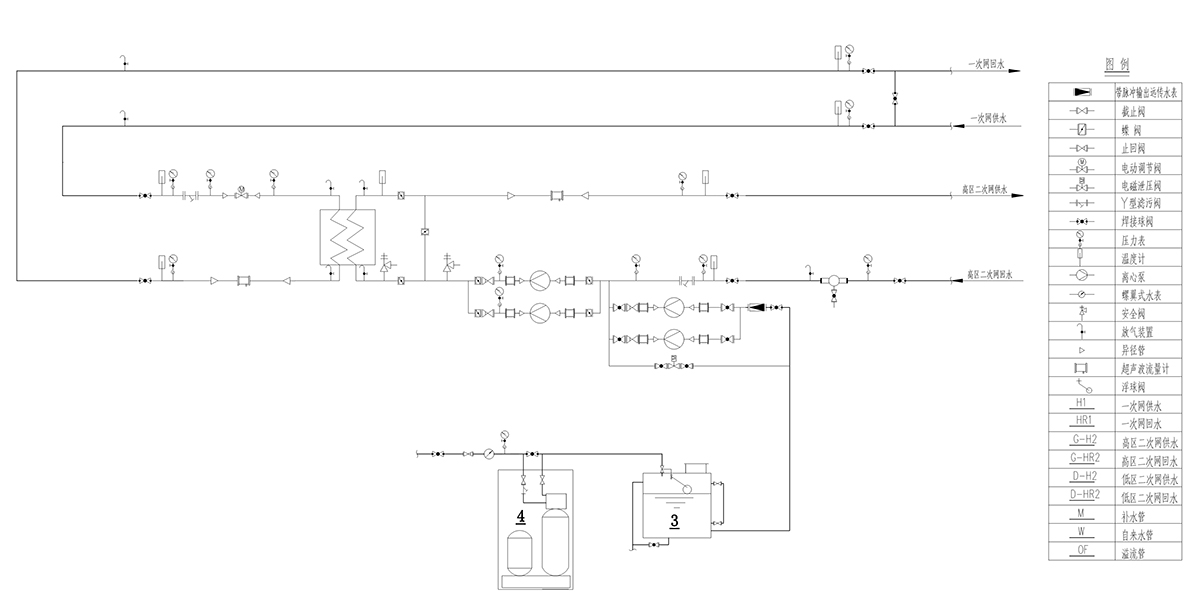
采集换热机组的温度、压力、水箱液位、除污器压差、室外温度、流量、热量、电量等信号,换热站现场控制器负责采集并显示这些信号(包括循环水泵、补水泵的手自动状态、运行状态、故障状态),并对二次网供水温度和二次网回水压力、二次网供回水压差等进行独立就地控制,并能与电气配合实现换热站自动运行,并能与电气配合实现换热站自动运行,并能够将现场控制信号通过RTU远程终端控制系统(Romote Terminal Unit)上传至监控中心,实现中央控制。
换热站常用控制策略:
(1)换热机组具有气候补偿和恒温供水功能,即根据气候的变化自动调节供热量,应用可编程控制器(PLC),根据室外温度的变化和当地热负荷曲线,决定二次侧的供水温度和补偿漂移量。
二次侧供水温度的实测值和设定值相比较后,并进行PID调节,控制器输出信号至电动调节阀,调节电动调节阀的开度,从而改变一次侧的流量,实现二次侧供水温度的质调节和一次侧流量的量调节。
供水温度和补偿漂移量可由中央监控系统进行远程设定。
(2)自动补水
补水泵是由安装在二次侧回水管路上的压力传感器测得的压力信号,与控制器二次回水压力设定值比较后输出一个控制信号控制器,由控制器控制补水泵的开启,从而实现二次网回水自动补给。回水压力设定值可由中央监控系统进行远程设定。
(3)自动卸压功能: 当二次侧供水压力高于供水设定值高限时,开启泄水电磁阀,同时配安全阀,以便双保险。泄水电磁阀开启压力设定值可由中央监控系统进行远程设定。
(4)二次侧循环水泵控制,实现供水压力和回水压力差值控制,保证系统最不利点的供回水压差,从而保证最不利点正常供暖。压差设定值可由中央监控系统进行远程设定。
(5)二次侧循环水网防汽化保护。即二次网循环泵停止,电动调节阀关闭并且停电后电动调节阀关闭。
(6)开机自检功能:二次侧回水压力设定具有一个超低限保护值(在控制器操作面板上可以调整此值),当二次侧压力没有达到此值时,不能启动循环泵而只能开启补水系统补水,待达到设定值后方可启动循环泵。
(7)顺序启动及泵阀联锁:双板双泵两套水循环系统换热站,当热负荷不足时,只运行一套系统,当第一套系统的循环水泵发生故障时,应自动启动第二套系统的循环水泵。换热站循环水泵运行后电动调节阀才自动开启;当正在运行的循环水泵发生故障时,输出报警信号,循环泵停机,电动调节阀关闭。
(8)来电自启满足无人值守功能:板式换热机组在送电后,控制器工作,站自检后自动按顺序启动。
(9)失压保护:二次侧回水压力低于超低限设定值时,自动停止循环泵运行,并关闭电动调节阀,自动补水系统投入运行,开始补水。自动补水系统投入运行后二次侧回水压力仍继续降低即发声光信号报警(该信号远传调度中心)
(10)断电保护:停电后自动关闭电动调节阀,切断热源,控制器及变频器自动复位并使各种设定参数和运行状态参数保持原断电前设置。
(11)超温保护:二次供水温度超过高限制值时,一次侧电动调节阀关闭。
一次侧供水温度超过高限值时,应立即关闭一次侧电动调节阀并报警。
一次回水温度超过高限值时,启动高限制保护,减小电动调节阀开度。
(12)超压保护:二次供水压力超过设定超高限值(操作面板可调设定值),循环泵停止运行,并关闭一次侧电动调节阀。
(13)监测水箱液位,具备报警保护功能。水箱液位低于超低限值时,补水泵停止,并报警。
(14)具有时间控制程序:
定时开、关机,节能模式,制定日、周、月的分时段供暖。
(15)自动监控热网参数,调节热负荷及调节最不利点的正常取暖,保证一定的水利平衡、热力平衡,从而实现热网平衡。
(16)热量平均分配和大用热量限制
避免用热高峰时段各站点抢热,以及由此引发的热网失衡甚或瘫痪。
(17)温差控制
通过控制一、二次侧回水温差,提高设备出力,节省一次管网循环水泵用电量。
(18)远程自动抄表
便于数据集中监控,能源管理及成本结算。
换热设备设备简介
板式换热机组是目前集中供热行业应用广泛的成套供热设备,它将板式换热器、循环水泵、补水泵、除污器等换热系统各个元件及各元件间的连接管路、阀门、仪表等紧凑地组装在一个底座之上,同时根据实际需求引进PLC控制技术,对各运行参数进行收集、计算,并反馈至机组内的自控阀门等执行装置,从而实现对各个运行参数的智能化控制,也可通过网络通讯技术远传至集控。
板式换热机组是换热机组中的一种类型,他和别的换热机组不一样的地方就是,其使用的是板式换热器,在一样的压力损失之下,板式换热器的换热效率要高出管式换热器3-5倍,而且体积仅仅是管式换热器的三分之一,对热量的利用能达到百分之90以上。
板式换热机组特点:
1、板式换热机组正常时为一泵工作(一拖一变频运行),一泵备用,循环水泵自动定时切换,当工作泵发生故障时,备用泵可自动投入运行。
2、换热机组自动补水,自动定压。补水泵可全自动运行和手动控制启停,系统稳压值可根据实际自由设置和调整。二台水泵时补水泵可交替运行。
3、设备配备了电磁阀二级超压保护装置,系统超压时,电磁阀首先打开泄压,若电磁阀有故障,以确保系统压力的稳定及运行。
4、鑫盛垚换热机组配备不锈钢滤网反冲除污器,除污效果好,使用寿命长。
5、板式换热机组所有阀门、仪表管路均采用产品,装机配置先进合理,水泵运行平稳,噪音低,有效的改善机房环境。
6、板式换热机组配置灵活,可根据用户要科学、合理的优化配置,很大限度地满足客户要求。
应用范围:
板式换热机组拥有节能、智能化、自动化等特点,能够在工厂、机关、住宅小区、别墅等民用建筑,商店、宾馆、饭店、度假村等商用建筑的采暖、空调、洗浴用水、生活用水、游泳池冬日用水,也可用于制备工业生产工艺用水,还有其他各种需要进行换热的领域。